Application Examples

Examples

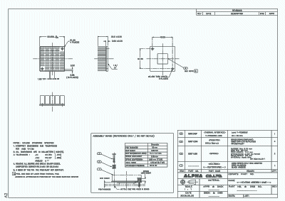
Heat Sink Application Example
Introduction
Alpha produces heat sinks for many custom applications. The following examples are for specific custom appilcatoins, using a heat sink to cool standard semiconductor devices.

Note: Although it may be possible to use these examples, AS-IS, they are for specific applications. Variables such as PCB thickness, airflow, power dissipation, mechanical/size limitations, etc... will impact the final design considerations. Please contact Alpha to start the quick and simple process of creating a heat sink for your specific application.

Quick & Simple
Custom Heat Sink
Engineering Support
Short Lead-Time
Prototype to Production
Examples
Heat Sink for Peltier
Thermo Electric Device/Peltier
(Active Heat Sinks)
Heat Sink for LED
LUXEON STAR LED
(CN40 Based Heat Sink)
Heat Sink for Xilinx Virtex 5
Xilinx FPGAs
(Virtex 5 FF1738 Heat Sink)
Heat sink for Freescale MPC Processors
Freescale MPC Processors
(MPC8560 Heat Sink)
Altera FPGA heat sink
Altera FPGAs
(Stratix 1020 ball Heat Sink)

Contact | © 2008-2022 Alpha Company Ltd.